Bloque de válvula de control piloteada MPSB-MiE
Solicite un presupuesto
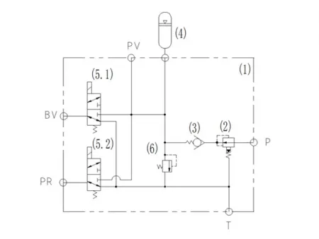
Válvula hidráulica piloteada para miniexcavadoras
- Diseño compacto para una fácil instalación y un ahorro de espacio.
- Proporciona un control preciso de la presión y capacidad de mantenimiento de la presión para circuitos hidráulicos piloto.
- La estructura optimizada minimiza el ruido de funcionamiento, garantizando un control más suave y silencioso de la máquina.
Aplicaciones
Diseñado para miniexcavadoras, este bloque de válvula de control piloteada suministra aceite hidráulico de baja presión estable, limpio y controlable al sistema de control piloto. Garantiza un manejo ágil, una operación segura y una mayor eficiencia energética, permitiendo a los operadores mantener un control preciso en entornos de trabajo confinados o delicados.
Especificaciones
| Presión nominal | 350bar |
| Caudal nominal | 15L/min |
| Voltaje | DC14V±15% |
| Rango de temperatura del fluido | -20℃~80℃ |
| Rango de temperatura ambiente | -20℃~80℃ |
| Rango de viscosidad del aceite | ISO 20~400mm²/s |

