Válvula principal de accionamiento para plataforma de tijera eléctrica MCM-E
Solicite un presupuesto
Sitio web: http://hydraulicvalve-ar.com/12-2-scissor-lift-control-valve-for-electric-scissor-lift.html
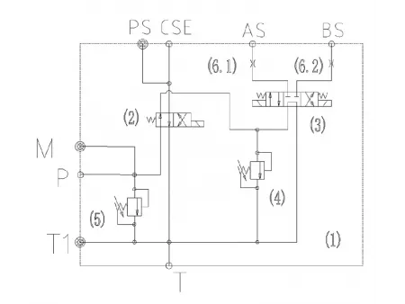
Bloques de válvula hidráulicas para un control suave de la elevación, el descenso, la dirección de desplazamiento y la velocidad del elevador de tijera
- Diseño modular y compacto para un control hidráulico seguro y confiable.
- Diseño patentado con válvula de contrapeso de desplazamiento integrada para mejorar la estabilidad general de la plataforma.
- Su construcción de alta eficiencia reduce el consumo de energía, lo que prolonga el tiempo de funcionamiento del equipo.
Aplicaciones
Diseñada para plataformas de tijera eléctricas, esta válvula principal de accionamiento garantiza una elevación y descenso suaves, junto con un control de dirección preciso, mejorando la seguridad, la estabilidad y la eficiencia durante operaciones elevadas.
Especificaciones
| Presión máxima de funcionamiento | 250bar |
| Caudal nominal | 20L/min |
| Voltaje | DC20V±10% |
| Rango de temperatura del fluido | -30℃~110℃ |
| Rango de temperatura ambiente | -30℃~110℃ |
| Rango de viscosidad del aceite | ISO 20~400mm²/s |
Productos relacionados
Comentarios
Otros productos
Novedades
Más
Otros productos
Vídeos Relacionados

