Bombas de Engranajes Múltiples
Solicite un presupuesto
Bombas hidráulicas
Información Técnica
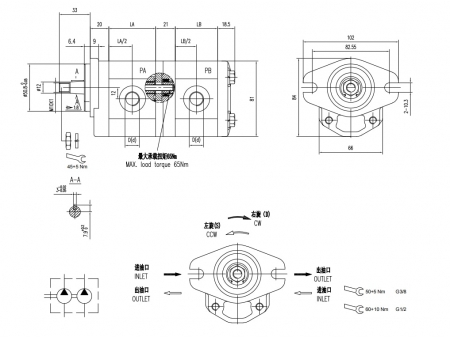
- Desplazamiento: 1.4~13.8cm³/rev.
- Dirección de rotación: sentido horario (D), sentido antihorario (S)
- Velocidad mínima: 600r/min
- Velocidad máxima: 2500r/min
- Presión máxima: 150~250bar
Indicaciones para elegir Bombas de Engranajes en Tándem 1.25/1.25
Dimensiones estándar de las Bombas de Engranajes en Tándem 1.25/1.25
| Desplazamiento | Presión máx. | Velocidad máx. | Velocidad min. | Dimensions | Código del puerto de aceite | Entrada | Salida | Código del puerto de aceite | Entrada | Salida | ||||||||
| PA | PB | PA | PB | LA | LB | PA | D | d | PB | D | d | |||||||
| (cm³/rev.) | (cm³/rev.) | bar | bar | (r/min) | (r/min) | mm | mm | |||||||||||
| 1.4 | 1.4 | 250 | 250 | 2500 | 600 | 44.1 | 44.1 | L0 | G1/2 | G3/8 | L0 | G1/2 | G3/8 | |||||
| 2.1 | 2.1 | 250 | 250 | 46.1 | 46.1 | L0 | G1/2 | G3/8 | L0 | G1/2 | G3/8 | |||||||
| 2.8 | 2.8 | 250 | 250 | 48.1 | 48.1 | L0 | G1/2 | G3/8 | L0 | G1/2 | G3/8 | |||||||
| 3.5 | 3.5 | 250 | 250 | 50.1 | 50.1 | L0 | G1/2 | G3/8 | L0 | G1/2 | G3/8 | |||||||
| 4.1 | 4.1 | 250 | 250 | 52.1 | 52.1 | L1 | G1/2 | G1/2 | L1 | G1/2 | G1/2 | |||||||
| 5.2 | 5.2 | 230 | 230 | 55.1 | 55.1 | L1 | G1/2 | G1/2 | L1 | G1/2 | G1/2 | |||||||
| 6.2 | 6.2 | 230 | 230 | 58.1 | 58.1 | L1 | G1/2 | G1/2 | L1 | G1/2 | G1/2 | |||||||
| 7.6 | 7.6 | 200 | 200 | 62.1 | 62.1 | L1 | G1/2 | G1/2 | L1 | G1/2 | G1/2 | |||||||
| 9.3 | 9.3 | 180 | 180 | 67.1 | 67.1 | L1 | G1/2 | G1/2 | L1 | G1/2 | G1/2 | |||||||
| 11.0 | 11.0 | 170 | 170 | 72.1 | 72.1 | L1 | G1/2 | G1/2 | L1 | G1/2 | G1/2 | |||||||
| 13.8 | 13.8 | 150 | 150 | 80.1 | 80.1 | L1 | G1/2 | G1/2 | L1 | G1/2 | G1/2 | |||||||
| Desplazamiento | Presión máx. | Velocidad máx. | Velocidad min. | Dimensions | Código del puerto de aceite | Entrada | Salida | Código del puerto de aceite | Entrada | Salida | |||
| PA | PB | PA | PB | LA | LB | PA | D | d | PB | D | d | ||
| (cm³/rev.) | (cm³/rev.) | bar | bar | (r/min) | (r/min) | mm | mm | ||||||
| 1.4 | 1.4 | 250 | 250 | 2500 | 600 | 44.1 | 44.1 | L0 | G1/2 | G3/8 | L0 | G1/2 | G3/8 |
| 2.1 | 2.1 | 250 | 250 | 46.1 | 46.1 | L0 | G1/2 | G3/8 | L0 | G1/2 | G3/8 | ||
| 2.8 | 2.8 | 250 | 250 | 48.1 | 48.1 | L0 | G1/2 | G3/8 | L0 | G1/2 | G3/8 | ||
| 3.5 | 3.5 | 250 | 250 | 50.1 | 50.1 | L0 | G1/2 | G3/8 | L0 | G1/2 | G3/8 | ||
| 4.1 | 4.1 | 250 | 250 | 52.1 | 52.1 | L1 | G1/2 | G1/2 | L1 | G1/2 | G1/2 | ||
| 5.2 | 5.2 | 230 | 230 | 55.1 | 55.1 | L1 | G1/2 | G1/2 | L1 | G1/2 | G1/2 | ||
| 6.2 | 6.2 | 230 | 230 | 58.1 | 58.1 | L1 | G1/2 | G1/2 | L1 | Feb-61 | G1/2 | ||
| 7.6 | 7.6 | 200 | 200 | 62.1 | 62.1 | L1 | G1/2 | G1/2 | L1 | G1/2 | G1/2 | ||
| 9.3 | 9.3 | 180 | 180 | 67.1 | 67.1 | L1 | G1/2 | G1/2 | L1 | G1/2 | G1/2 | ||
| 11 | 11 | 170 | 170 | 72.1 | 72.1 | L1 | G1/2 | G1/2 | L1 | G1/2 | G1/2 | ||
| 13.8 | 13.8 | 150 | 150 | 80.1 | 80.1 | L1 | G1/2 | G1/2 | L1 | G1/2 | G1/2 | ||

